ts321引脚图及功能

四位全加器74ls83引脚图及功能表
图片尺寸1191x1685
74hc4052中文资料汇总(74hc4052引脚图及功能_工作原理及应用电路)
图片尺寸622x594
【ts78l09ct a3g pdf数据手册】_中文资料_引脚图及
图片尺寸534x684
lm358引脚图及引脚功能
图片尺寸800x1132
tl494引脚图及引脚功能描述
图片尺寸281x275
3at89c51单片机引脚说明及引脚图_51单片机引脚功能图
图片尺寸960x1357
tlv3012aidbvrg4
图片尺寸816x1056
谁知道光碟机电源集成电路dh321各引脚电压以及各引脚功能
图片尺寸450x365
74ls90引脚图及引脚功能word版
图片尺寸920x1302
tl431功能引脚图解
图片尺寸374x265
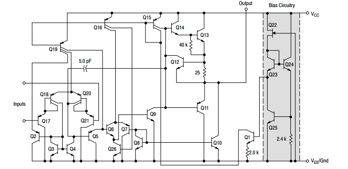
ts391ilt_引脚图_电路图(2/12) - 万联芯城
图片尺寸892x1263
la4625中文资料_la4625引脚图及功能_la4625功放电路
图片尺寸823x619
uc3845中文资料uc3845引脚图及功能特性参数及典型应用电路
图片尺寸398x166
uc3842引脚图 uc3842引脚功能
图片尺寸589x225
常用集成电路型号及管脚引脚功能排列图
图片尺寸452x370
3at89c51单片机引脚说明及引脚图_51单片机引脚功能图
图片尺寸1191x1685
ina321322微功率cmos仪表放大器引脚
图片尺寸1136x438
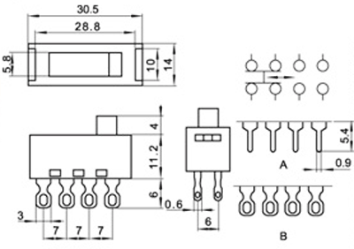
拨动开关 ts-2-2236 三档8脚
图片尺寸400x282
74ls154中文资料_74ls154功能引脚图
图片尺寸1439x1303
cd4011中文资料(功能,真值表,引脚图及电气参数)
图片尺寸300x247