u型管式换热器设计

一种具有高温高压管程结构的u形管式换热器
图片尺寸452x1000
u型管换热器装配图cad图纸
图片尺寸3051x2190
一种u型管换热器的制作方法
图片尺寸1000x502
u型管式换热器
图片尺寸1233x684
u型管换热器详解有哪些优点
图片尺寸554x488
u形管换热器
图片尺寸1138x637
厂家供应 高效节能锅炉用配套换热设备 u型管式换热器 加工定制
图片尺寸637x320
2管程u型管换热器3d模型
图片尺寸1500x876
u型管式换热器
图片尺寸450x196
u型换热器装配图
图片尺寸1094x764
一种u型管式换热器的制作方法
图片尺寸1000x569
u型管式换热器设计方案
图片尺寸820x607
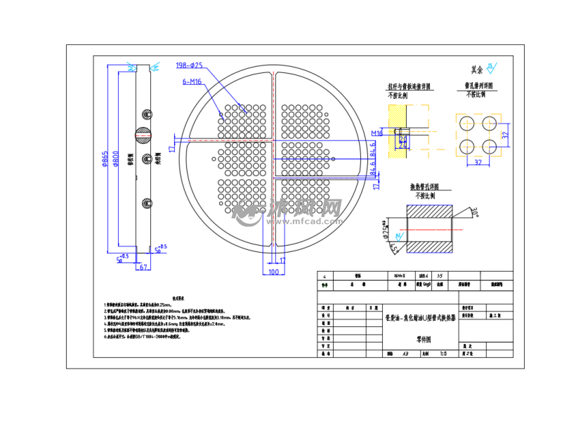
u型管式换热器图
图片尺寸467x417
cn207730060u_一种u型换热管可前后往复摆动的容积式换热器有效
图片尺寸1802x2080
双管流u型管换热器-爱企查
图片尺寸1956x831
u型管式换热器 管式换热器厂家现货
图片尺寸750x750
u型管式换热器设计方案
图片尺寸820x602
1.u型管式热换器
图片尺寸800x600
7平米u型管换热器全套生产详图(13张)
图片尺寸712x500
u型管式换热器,u型管换热器,换热器
图片尺寸660x480