u1x拆机图解

技嘉(gigabyte)
图片尺寸750x1063
酷派7061维修图纸主板解析图v1 0.pdf
图片尺寸792x1120
a8登录
图片尺寸1080x505
做工扎实可靠 华硕ux501笔记本拆机图解
图片尺寸850x560
oppor11t主板电池座坏了怎么办(新手学手机维修之元器件了解)(1)
图片尺寸640x397
内部做工赶超air 华硕ux21超极本拆解手册
图片尺寸940x580
vivo nex手机不充电常见通病,这个地方最容易坏,你中招了吗?
图片尺寸640x445
vivox21拆机教程
图片尺寸750x499
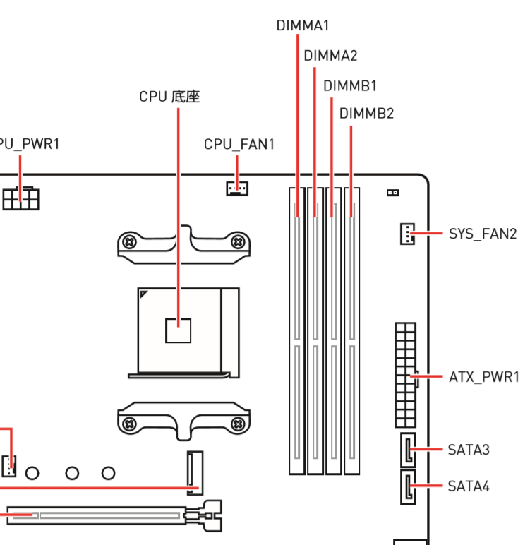
电脑组装cpu装在哪(电脑cpu怎么组装)插图13
图片尺寸790x644
iqoo3 iqoo neo3 u1x z1x u3 z1 主板 保数据换主板 iqoo3 拆机 主板6
图片尺寸800x800
vivonexnexs主板摄像头尾插小板卡托排线听筒手机零部件
图片尺寸4029x2985
主板小板和大板有什么区别 (全文)
图片尺寸600x560
alienware aurora r11 服务手册
图片尺寸1652x1800
华硕zenbook14ultralightux435拆机
图片尺寸1280x879
华硕zenbookux303ln拆机机身虽小但升级能力不俗
图片尺寸1185x815
享拆索尼xperia1拆解论一台微单手机的技术修养
图片尺寸3840x2160
2999元值不值?一加5详细拆解:谁还说像r11?
图片尺寸2048x1365
装机帮扶站第588期如何正确安装加装内存
图片尺寸751x772
渣技术科普你们看到的新装备更新完毕如果有其他问题可以提问
图片尺寸1018x1247
剖析5g流畅先锋内在玄机iqooz1x拆机解析
图片尺寸640x1136