uln2003原理图

打算用单片机通过光耦隔离驱动2003做多路继电器控制求大神们指点电路
图片尺寸1235x989
请大神解释下uln2003驱动步进电机的电路像这样接有没有什么问题?
图片尺寸610x417
步进电机由uln2003链接单片机的问题,求大侠们看看为什
图片尺寸739x476
二,驱动电路原理图及资料一,步进电机资料三,代码例程(例程仅供参考)
图片尺寸593x600
339电压比较中,如何让三极管延时截止,请高手指点.
图片尺寸921x482
步进电机驱动电路
图片尺寸2280x1140
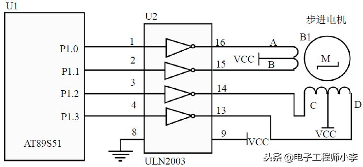
uln2003达林顿的一个重要应用就是驱动步进电机,电路
图片尺寸596x245
能不能把你的uln2003控制直流电机的电路原理图给我看看啊,我也用2003
图片尺寸473x269
求原理图?谢谢
图片尺寸507x433
可直接驱动继电器等负载uln2003这个芯片非常好用,可
图片尺寸602x490
关于单片机驱动光耦带uln2003驱动三极管问题求大神赐教
图片尺寸1697x816
电机可以按不同的标准进行分类,包括其工作原理,结构,用途等,如按工作
图片尺寸492x448
【模拟电路】uln2003驱动共阴或共阳数码管的思考_uln
图片尺寸589x891
uln2003aidre4 pdf文件_uln2003aidre4 pdf文件在线
图片尺寸1008x1440
我用51单片机与uln2003控制步进电机原理图以及使用
图片尺寸1229x768
uln2003驱动继电器原理图
图片尺寸500x237
共阳数码管
图片尺寸1015x685
蓝桥杯单片机组模块1硬件电路基础知识与蜂鸣器模块上手
图片尺寸739x362
控制步进电机单片机控制直流电机
图片尺寸737x339
关于这个电路图我不明白那个uln2003芯片已经提供给rl
图片尺寸643x303