uln2204内部电路图

内部电路图
图片尺寸291x300
集成运算放大器内部结构
图片尺寸479x340
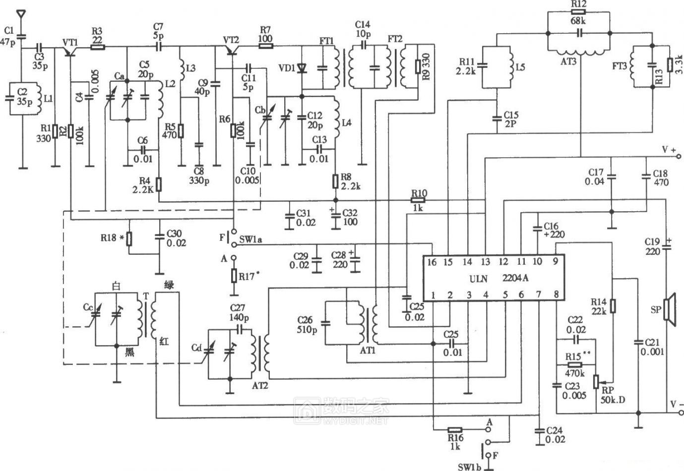
由uln2204组成的调频-调幅二波段收音机电路
图片尺寸1560x1158
楼层 胆炸心惊 发表于 2013-8-8 17:20 这个我需要内部结构和电路,要
图片尺寸1800x2263
语音合成芯片hy-20a应用电路图
图片尺寸1175x786
集成运放内部电路组成(上)
图片尺寸1335x952
我使用multisim blue做了一个简单的仿真电路,供大家参考:multisim
图片尺寸1052x661
八管交流发电机内部电路图.png
图片尺寸600x375
钳位二极管用于保护线圈通断时的反,可以看出,应用uln2003后电路比
图片尺寸424x476
颜色模块内部电路图.jpg
图片尺寸778x489
strong>ttl /strong>反相器 strong>电路 /strong>及其内部结构.gif
图片尺寸849x828
傻瓜系列功放内部电路图
图片尺寸617x439
一台地球牌收音机的电路图uln2204cxa1019p
图片尺寸1379x950
uln2803引脚图中文资料及内部电路图
图片尺寸600x439
tl074是是一种在单片集成电路中配有高电压双极晶体管的输入运算放大
图片尺寸610x560
收音机_电路
图片尺寸949x595
收音机_电路
图片尺寸1756x968
安全继电器内部电路图
图片尺寸624x441
uln2204afm/am收音机电路
图片尺寸875x496
收音机_电路
图片尺寸1229x1130