uln2803电路

谁能我帮我讲解一下这个电路图
图片尺寸735x411
驱动电路设计(光耦,达林顿管)
图片尺寸989x366
楼主的电路图,把限流电阻,放错了位置.
图片尺寸559x373
51单片机制作光立方(8*8*8led)时用到uln2803,在
图片尺寸624x351
学习笔记数码管电路设计
图片尺寸1101x751
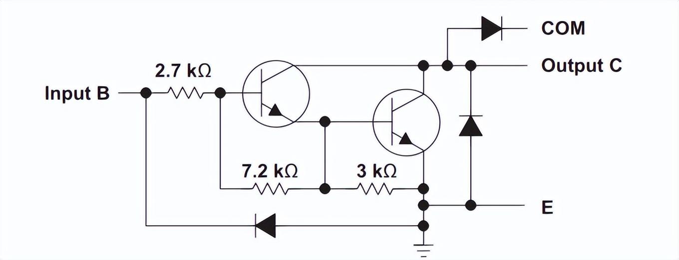
复合管达林顿管ul2003uln2803了解
图片尺寸837x608
下面是udn2803a的典型电路:左边的ttl驱动在mcu内部都有,故io口可直接
图片尺寸358x315
今天小编想跟大家分享一下51单片机驱动电磁阀的几个电路图,这也是在
图片尺寸738x428
今天小编想跟大家分享一下51单片机驱动电磁阀的几个电路图,这也是在
图片尺寸769x448
达林顿管
图片尺寸611x318
基于at89ls8252单片机和uln2803芯片实现洗碗机控制系统
图片尺寸784x415
几款uln2803的应用电路及驱动电路
图片尺寸818x521
光立方uln2803驱动电路问题
图片尺寸659x514
图3 单片机系统结构部分电路图4 系统供电整个系统采用12v电池组供电
图片尺寸500x578
光立方uln2803驱动电路问题
图片尺寸775x530
单片机控制步进电机
图片尺寸650x304
单片机在电力系统监控中的应用
图片尺寸360x244
步进电机的控制电路和程序
图片尺寸468x446
几款uln2803的应用电路及驱动电路
图片尺寸732x367
德州仪器uln2803adwr达林顿晶体管阵列的工作原理,特性以及应用
图片尺寸1360x522