upc2581v内部电路图

230w开关电源电路图
图片尺寸1800x1271
夏新t3系列电源板功率因数校正电路原理分析
图片尺寸1437x668
印制电路板设计与制作 期末考试用 upc三片机电路原理图
图片尺寸1575x1039
com】,ic型号upc1298v,upc1298v pdf资料,upc1298v经销商,ic,电子元
图片尺寸832x1100
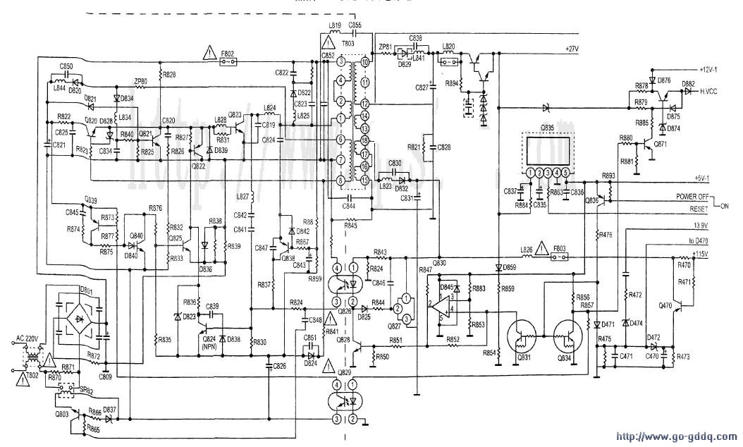
熊猫c3418彩电电源电路原理图
图片尺寸1054x634
割不断的情节,晒晒当年的upc1342v功放
图片尺寸800x591
m8831芯片内部集成500v功率开关,采用专利的驱动和电流检测方式,芯片
图片尺寸600x257
upc1342v与2sc2,987,2sa1227对管组成的80w×2的双声道高保真功放电路
图片尺寸1223x733
机电路|外170517圈μpc1248v是电子调谐的】,ic型号upc1248v
图片尺寸853x1100
清晰的u盘电路芯邦
图片尺寸1500x880
评松下真正的"有源伺服电源"原版图纸==
图片尺寸1317x680
首页 技术资料 新品播报 upc1378h 【用 途】 场扫描输出电路
图片尺寸620x357
1237喇叭保护电路图大全(功率输出管/upc1237扬声器保护电路图详解)
图片尺寸526x402
展开全部 这是2*7w功放电路
图片尺寸640x480
mhl_电路
图片尺寸2313x1705
电脑开关电源电路图大全
图片尺寸960x1357
求个用upc1298v推动的经典功放电路图
图片尺寸794x567
关于upc1342v100w驱动功放制作
图片尺寸512x397
内含偏置,参考电压产生,软启动,振荡器,升压驱动输出,电流检测等电路
图片尺寸2197x1516
富电-山特 710型ups电源驱动板原理图-综合电路图-电子产品世界
图片尺寸2000x1344