upc2581v应用电路图

com】,ic型号upc1298v,upc1298v pdf资料,upc1298v经销商,ic,电子元
图片尺寸832x1100
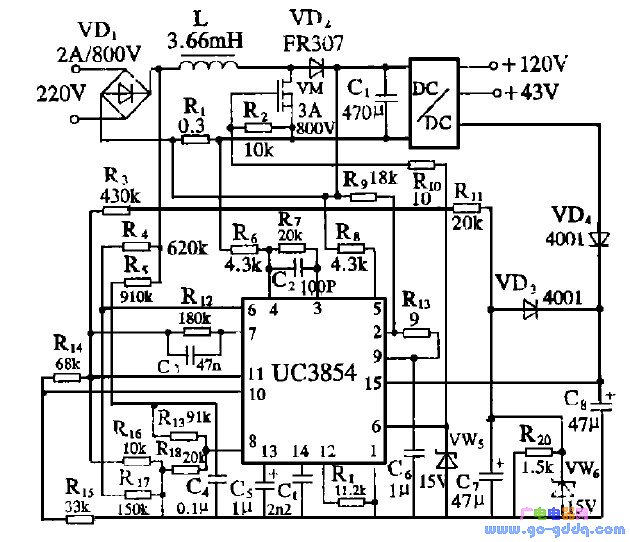
单周期控制 pfc 电路研究及芯片应用介绍
图片尺寸630x542
upc1342v与2sc2,987,2sa1227对管组成的80w×2的双声道高保真功放电路
图片尺寸1223x733
阻抗式湿敏元件应用电路图
图片尺寸1689x1087
基于nfc的无线通信系统电路设计 - 应用电子电路 - 电子发烧友网
图片尺寸700x571
在同一块板上做usb转串口,232转485,是否可以共用一个232芯片.
图片尺寸1117x659
uv启动电路求教
图片尺寸854x555
lm111/211/311的典型应用电路
图片尺寸928x887
l2v稳压电路由电源开关so,电源变压器t,整流桥堆ur,滤波电容器ci
图片尺寸3013x1655
ldr6328s电路图.png
图片尺寸1214x676
原创diy led驱动 30w 12v 2.5a
图片尺寸1233x754
1237喇叭保护电路图大全(功率输出管/upc1237扬声器保护电路图详解)
图片尺寸526x402
机电路|外170517圈μpc1248v是电子调谐的】,ic型号upc1248v
图片尺寸853x1100
pnp三极管应用电路_晶体管收音机本机振荡电路
图片尺寸850x1100
谁有upc2581电路功放电路图
图片尺寸800x516
做过upc2581v的来
图片尺寸800x437
展开全部 这是2*7w功放电路
图片尺寸640x480
upc2581甲类功放装箱
图片尺寸799x533
48v转15v,48v转12v,48v转24v高效率降压恒压芯片sl3041电路简单_应用
图片尺寸968x406
又做了个upc1237保护板伺候我的upc1225
图片尺寸761x793