ups电源车接线图

变电所 ups 停机事件的原因分析与对策
图片尺寸800x1502
ups系统电气原理图
图片尺寸1585x727
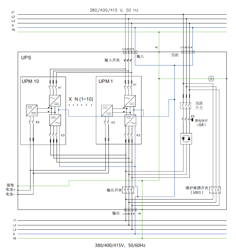
科士达ups电源连接图
图片尺寸920x1302
三川智控 双电源ups/ats高性能电力保障装置
图片尺寸1080x759
锂电池ups电源接线指南:安全操作必读
图片尺寸1482x1170
一个视频教会你ups不间断电源接线
图片尺寸1242x2208
ups电源蓄电池 安装接线图.装机注意事项: 接线端子 1
图片尺寸828x581
深入了解ups不间断电源:功能,技术与应用解析
图片尺寸844x1034
一种多制式ups电源及其实现方法
图片尺寸1904x2702
一起ups电源系统火灾的调查分析与延伸思考
图片尺寸1080x629
一种多制式ups电源及其实现方法
图片尺寸1682x2568
ups电源控制系统
图片尺寸1838x1971
对于380v的三进三出ups系统,接线方式包括接入三相输入电源和接出三相
图片尺寸759x802
常用的5种ups电源并机方案,哪一种更好呢?
图片尺寸1000x1016
九秒带你学会ups不间断电源接线教程#ups #ups不间断电源
图片尺寸1242x2208
ups不间断电源蓄电池连接
图片尺寸1438x788
维谛ups电源单机系统设计维谛精密空调维谛蓄电池
图片尺寸713x410
ups不间断电源
图片尺寸1920x2560
外接48伏锂电池ups电源使用方法.外接48v锂电池ups使
图片尺寸1000x1202
3c3 ex 山特ups电源接线图
图片尺寸938x458