ups系统图 原理图

ups组成:ups电源系统由五部分组成:回路,旁路,电池等电源输入电路
图片尺寸1178x640
ups系统电气原理图
图片尺寸1585x727
变电所 ups 停机事件的原因分析与对策
图片尺寸800x1502
一种海岛供电互动式ups系统抗扰动抑制方法
图片尺寸1853x1165
2 ups 工作原理
图片尺寸1227x507
ups电源控制系统
图片尺寸1838x1971
在ups系统中,监控平台扮演着至关重要的角色,它是确保系统稳定运行的
图片尺寸1080x747
维谛ups电源单机系统设计维谛精密空调维谛蓄电池
图片尺寸713x410
同步跟踪要求低:该方式对ups的同步跟踪性能要求相对较低,降低了系统
图片尺寸1080x926
深入了解ups不间断电源:全面解析其功能,技术与应用
图片尺寸844x1034
一种在线互动式ups电路
图片尺寸1695x1423
sunusa教你ups如何进行维护保养
图片尺寸716x1064
ups系统运行原理全解析,轻松掌握多种状态
图片尺寸1200x1042
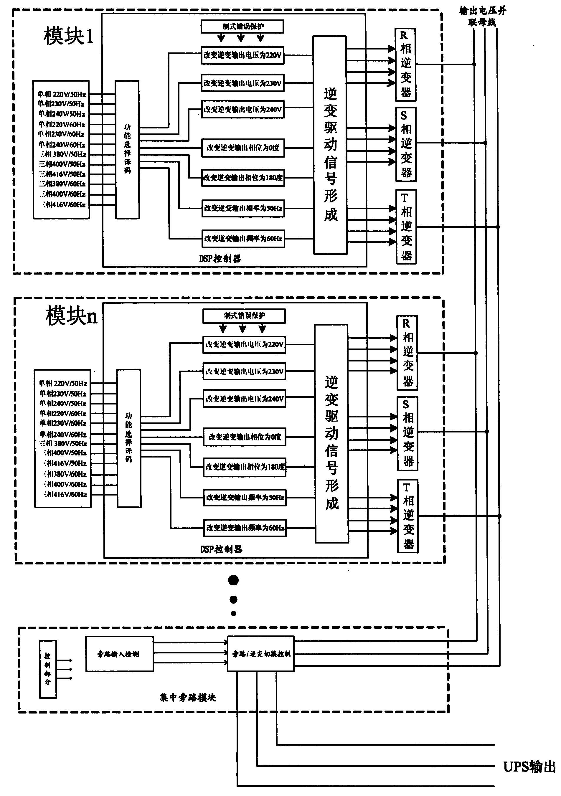
一种多制式ups电源及其实现方法
图片尺寸1682x2568
一种多制式ups电源及其实现方法
图片尺寸1904x2702
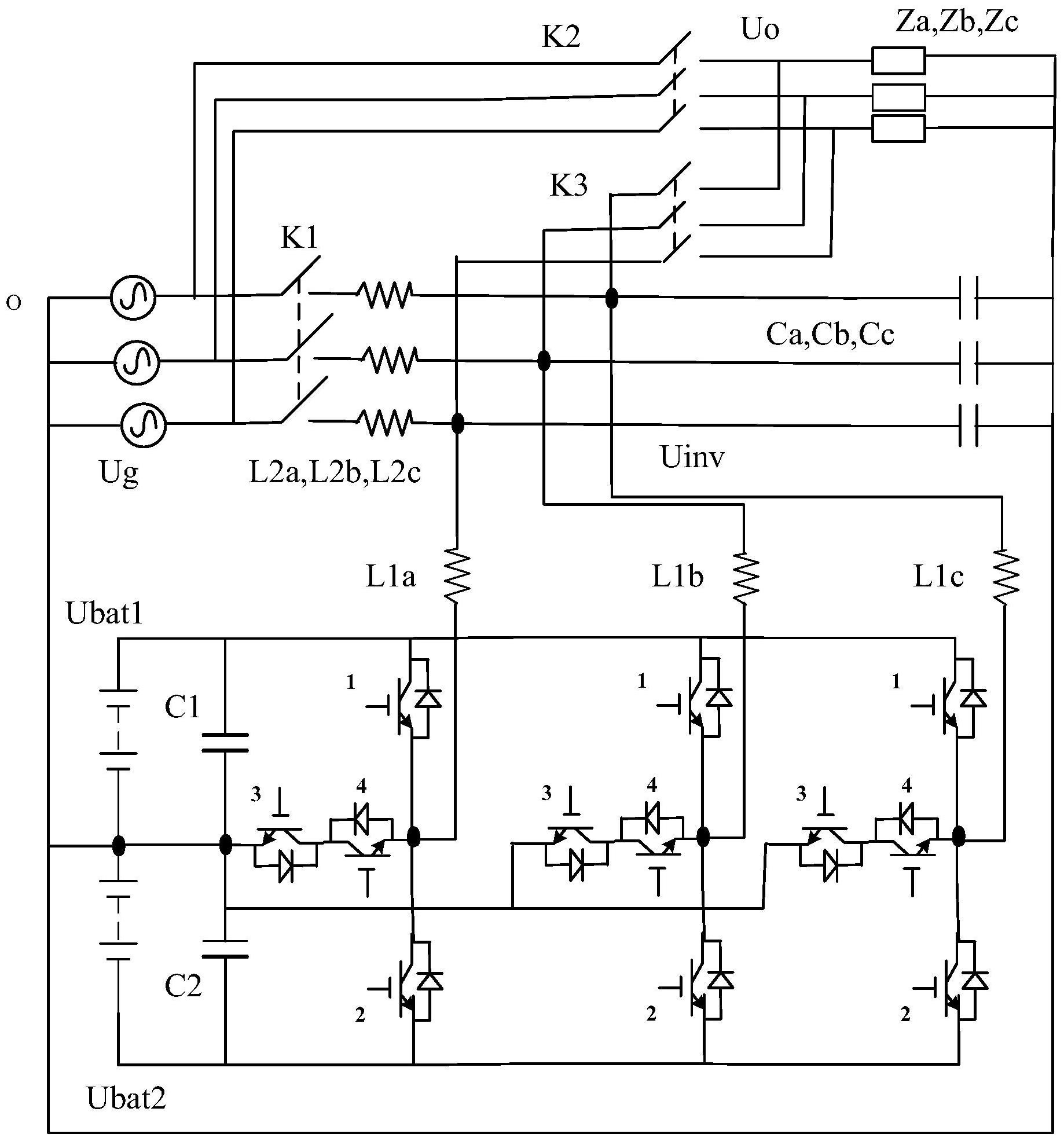
一种基于九相自耦移相变压器的对称式ups电源系统
图片尺寸884x1114
一起ups电源系统火灾的调查分析与延伸思考
图片尺寸1080x629
ups不间断电源的工作原理与日常维护全解析
图片尺寸960x692
通信交换局站中大型ups的选型
图片尺寸749x421
供电系统在通信机房中变得越来越普遍
图片尺寸478x500