usb转232线电路图

usb转rs232接口电路图(下)
图片尺寸782x358
我自己制作了一个usb转232的51单片机下载器,但是不能下载到芯片上,线
图片尺寸680x576
求usb转串口电路
图片尺寸755x752
上传一个 多接口的 usb 转 rs232电路~~~ 对于经常使用串口开发的人
图片尺寸1296x695
9线制rs232转usb电路图很稳定
图片尺寸1341x606
ft232rl原理图关于usb转rs232的方法
图片尺寸947x537
usb转rs232图
图片尺寸922x439
usb各型转串口电路图
图片尺寸1534x1792
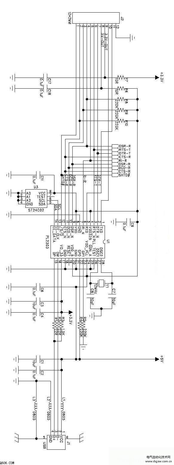
单片机使用的usb转rs232电路图
图片尺寸582x1553
usb转rs232双串口电路图
图片尺寸575x882
usb 转串口232芯片ch340及其应用电路原理图
图片尺寸595x470
使用ft232r的usb转串口的电路原理图和pcb图及物料清单免费下载
图片尺寸794x516
五一电子阅读:《电子制作》—《usb转串口电路图 》
图片尺寸1534x882
usbuart232串口通信和转换芯片
图片尺寸788x518
基于ft232的usb转串口设计
图片尺寸554x340
基于ch341t的usb转rs232接口电路设计
图片尺寸727x356
问1n4148在这个串口232转ttl电路的作用
图片尺寸732x587
一种usb口和rs232串口实现数据通信的电路
图片尺寸443x273
串口转rs232的问题
图片尺寸1341x501
这是一个比较实在好用的一个usb转4路rs232和4路rs485电路图,实际验证
图片尺寸1188x882