utc358引脚图及功能

lm358管脚图
图片尺寸1080x810
lm358引脚图及功能详解,几分钟带你搞懂 - 知乎
图片尺寸1398x882
lm358引脚图/作用
图片尺寸640x449
to rail的运放,例如工业中常用的tlc2262,引脚功能和lm358一样
图片尺寸364x172
utc358d 8个脚的参数
图片尺寸501x819
lm358中文资料引脚功能应用电路
图片尺寸920x1302
lm358应用电路图精华集锦全文
图片尺寸499x330
lm358
图片尺寸1108x632
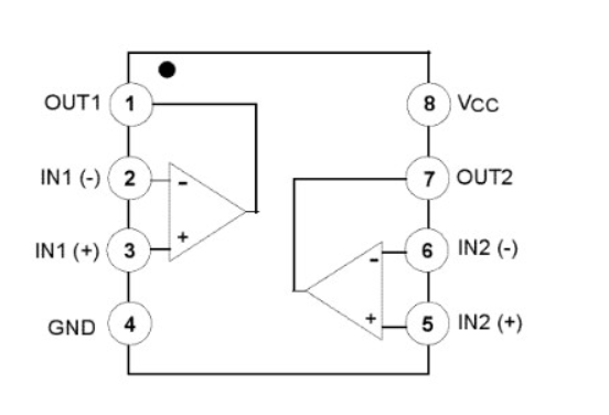
lm358引脚图
图片尺寸503x298
lm358引脚图以及引脚功能
图片尺寸363x203
lm358g-s08-r_引脚图_电路图(2/7)_utc - 万联芯城
图片尺寸892x1263
lm358引脚图及功能 - 与非网
图片尺寸552x376
lm358p引脚图lm358p中文资料
图片尺寸757x378
sg3525 (uc1)引脚功能和参考电压
图片尺寸2058x1398
lm358中文资料引脚功能应用电路
图片尺寸920x1302
全新f0505s-1w dc-dc 5v转5v 电源模块 dc-dc
图片尺寸360x360
关于lm358芯片构成放大电路的问题,r18r1920r21r22作用是什么?
图片尺寸568x456
鍩
图片尺寸820x1040
lm358中文资料汇总lm358引脚图及功能工作原理及应用电路讲解
图片尺寸705x409
tmp36gt9z温度传感器原装规格参数及引脚图_功能_线性_电流
图片尺寸574x303