v90伺服x8接口引脚

v90 pn型伺服控制器 x8 io端子使用 - 已解决问题
图片尺寸881x593
西门子v90伺服系统(pti)
图片尺寸800x1022
v90 pn型伺服控制器 x8 io端子使用 - 已解决问题
图片尺寸1920x1080
西门子v90伺服电机6sl32105fb102uf2
图片尺寸792x915
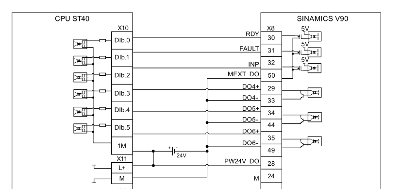
故障信号fault在do2,do1在伺服驱动器上x8接口30号线,do2在31号线
图片尺寸745x510
西门子v90标准应用接线
图片尺寸553x542
西门子v90 伺服
图片尺寸465x485
1,编码器接口-v90驱动器侧 4,接地 为保证
图片尺寸1068x821
西门子sinamics v90伺服驱动器的两种版本与两种控制方式(图1)
图片尺寸579x729
西门子伺服驱动v90
图片尺寸671x844
v90伺服脉冲输入
图片尺寸665x668
西门子v90伺服驱动器参数设置 - 2020年最新商品信息聚合专区 - 百度
图片尺寸1101x412
v90伺服驱动器 0.2kw 6sl3210-5fb10-2uf0
图片尺寸1182x1531
v90伺服测试 - 知乎
图片尺寸718x814
西门子v90伺服驱动6sl3210-5fe10-8uf0
图片尺寸672x770
200smart和v90接线时x8接口的位置
图片尺寸1015x884
200smart和v90接线时x8接口的位置针脚数怎么区分.
图片尺寸1920x1080
v90伺服脉冲输入
图片尺寸691x688
故障信号fault在do2,do1在伺服驱动器上x8接口30号线,do2在31号线
图片尺寸828x389
6sl3210-5fe13-5uf0西门子v90伺服驱动
图片尺寸663x720