vav空调系统图

vav变风量空调系统的控制原理
图片尺寸1201x801
vav空调系统运行示意图
图片尺寸682x263
vav通风系统-智能控制系统
图片尺寸600x503
复工后关于写字楼三种空调系统vavfcuvrv的选择
图片尺寸1222x570
变风量vav空调系统介绍调试常见的问题及解决措施
图片尺寸576x302
图2 vav空调控制系统结构图
图片尺寸1890x1110
vav变风量空调系统原理
图片尺寸702x407
常温送风变风量空调系统工程设计详细课件
图片尺寸800x450
首页 南社百科 基础类 正文 | 关键字:vav, 新风系统, 空调机, 监控
图片尺寸707x447
vav变风量空调系统的控制原理
图片尺寸640x427
什么是vrv,vwv,vav?_制冷剂_空调_变化
图片尺寸827x482
变风量空调,单风管vav 风机盘管系统原理及应用
图片尺寸640x427
vav空调系统监控,控制,问南社_暖通空调_给排水_制冷
图片尺寸713x304
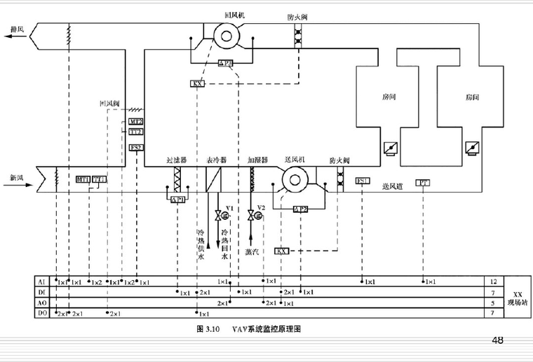
vav系统监控原理图
图片尺寸760x517
简析变风量(vav)空调系统及设计指南
图片尺寸893x371
vav变风量空调系统的控制原理
图片尺寸640x427
vav中央空调系统和新冠病毒传播
图片尺寸1280x724
变风量空调系统原理,外区并联型fpb 内区单风管vav
图片尺寸1308x872
vrv空调到底是什么和一般的空调什么区别图解vrv空调系统原理
图片尺寸640x480
变风量空调系统(vav)的优势|系统灵活性好
图片尺寸502x335