viper16l电源电路图

液晶电视易损集成电路viper17ltps65161abstrt2268
图片尺寸3861x2623
fsd200,viper12应用电路的互换对比3,viper12应用电路4,act30bht电源
图片尺寸746x608
求一个简单电源的电路原理图.清晰点的
图片尺寸701x405
viper16hn pdf下载及第12页内容在线浏览
图片尺寸922x1361
viper16ln pdf下载及第11页内容在线浏览
图片尺寸922x1361
意法半导体公司viper176w单输出电源解决方案
图片尺寸547x362
viper12a,viper22a开关电源应用电路图
图片尺寸658x573
基于viper53机顶盒开关电源的设计
图片尺寸1329x973
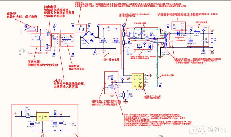
反激开关电源电路原理图和标注详解
图片尺寸764x453
viper17l是意法半导体公司生产的开关电源稳压厚膜块,内部集成有脉宽
图片尺寸2675x1788
计算机开关电源原理图电路分析
图片尺寸400x300
意法半导体公司viper176w单输出电源解决方案
图片尺寸547x372
文档下载 所有分类 工程科技 电子/电路 > 直流稳压电源设计原理图
图片尺寸1374x428
数控直流稳压电源设计
图片尺寸530x478
恒流电源的工作原理及电路图
图片尺寸388x333
各位,问个关于viper12电源的问题 - 捷配电子市场网
图片尺寸895x627
中频炉中频电源原理 晶闸管中频电源采用可控整流器
图片尺寸620x431
采用viper12a的开关电源电路分析(图)
图片尺寸800x445
开关式芯片viper12a电源
图片尺寸1306x816
fsd200,viper12应用电路的互换对比3,viper12应用电路4,act30bht电源
图片尺寸594x612