xl4005可调电路图

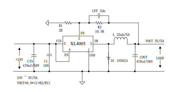
如何以xl4005为中心的dc-dc降压型开关电源,分析电路运行原理? - 知乎
图片尺寸823x518
xl4005降压型直流电源变换器芯片xl4005
图片尺寸600x376
xl4005 lm358升降压典型应用电路图:xl4005恒流驱动原理图:xl4005演示
图片尺寸688x435
xl4005 358 典型应用电路
图片尺寸938x565
可做升压,降压及升降压,内置限压限流及过温保护电路,xl4005输入电压
图片尺寸688x400
xl4005/4012实现buck功能示意图
图片尺寸460x247
xl4005 lm358led驱动芯片典型电路
图片尺寸536x359
xl4005bom表emo版
图片尺寸893x1197
两列典型的开关电源电路分析
图片尺寸584x401
xl4001 led 驱动电源升降压设计方案-滤波电路图-电子产品世界
图片尺寸860x422
xl6003/xl6004/xl6005电路图
图片尺寸523x307
dc-dc芯片,xl4005,xl4015,ap1501,lm22676
图片尺寸607x439
xl4015/4005 可调降压模块 5~32v dc-dc输出可调 大功率 96%率 - dc
图片尺寸1189x1342
xl4002 典型应用电路
图片尺寸630x275
高效率75w5adcdc直流可调降压电源模块板可调降压xl4005降压模块438v
图片尺寸790x1216
xl4005集成ic 通信ic 芯片ic 深圳代理厂家
图片尺寸620x318
xl4005可调降压电源模块 5~32v 5a大功率远超2596 xtw-报价-阿里巴巴
图片尺寸340x287
xl4005/4015可调降压电源模块 dc-dc稳压5~35v 恒流恒压5a 大电流 xl
图片尺寸800x800
大功率5axl4005e1高效dcdc输出可调降压电源模块开发板
图片尺寸800x800
xl4005 低纹波5a 38v大功率96%高效率 电源 可调降压模块4
图片尺寸800x800