yte1408芯片电路图

数据采集_电路
图片尺寸1746x1635
led驱动应急灯原理图
图片尺寸830x531
1408_1073
图片尺寸1408x1073
mc1408l7 pdf下载及第7页内容在线浏览
图片尺寸837x1169
给个参考电路图,具体自己看看怎么改好 新国标消防应急灯电路原理图
图片尺寸528x780
2992_1408
图片尺寸2992x1408
1457_1408gif 动态图 动图
图片尺寸1457x1408
ltc1408-12 - 6 channel, 12-bit, 600ksps simultaneous sampling
图片尺寸2190x770
在插上主电源的时候故障指示灯常亮,说明里面的电路或者电池触电故障
图片尺寸1000x538
1408_1312gif 动态图 动图
图片尺寸1408x1312
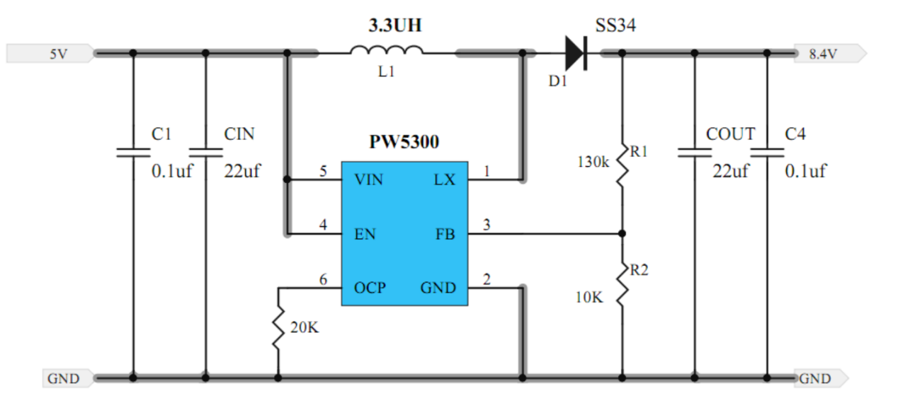
5v升压84v5v升压74v电路图的充电芯片
图片尺寸1268x580
adg1408/adg1409 figure 6. test circuit 5.
图片尺寸850x1100
非隔离ac-dc电源芯片降压电路,采用buck拓扑结构,常见于小家电控制板
图片尺寸964x490
电源芯片 cr6853 sop-8封装-「集成电路/ic」-马可波罗网
图片尺寸926x511
采用mc34063芯片的dc_dc电源变换控制器电源电路
图片尺寸1850x1283
小家电电源芯片方案ap8022电路原理图与pdf资料文档
图片尺寸871x486
电子元器件电路图新闻_ic芯片电路图资讯-拍明芯城
图片尺寸435x323
笔记本电脑芯片供电电路
图片尺寸1092x1082
三款应急灯(逆变电路)电路图
图片尺寸648x359
72v转5v,12v,15v电源芯片电路图设计
图片尺寸933x575