z203软卧位置图

一站直达!京哈直达特快z203次软卧体验!
图片尺寸1728x1080
软卧车厢整洁舒适 央广网记者林馥榆 摄
图片尺寸600x800
火车软卧图片全景图
图片尺寸510x304
0z211 12月15日 旧金山
图片尺寸1080x1439
第一次坐软卧
图片尺寸1024x683
货物列车紧急制动距离延长对通过能力的影响
图片尺寸295x407
火车中途补卧铺划算吗,学生票火车中途补卧铺划算吗
图片尺寸959x719
在z203软卧车厢中
图片尺寸1439x1079
t47,z203,z17,z15★返程推荐车次:z204,t18,t298,z
图片尺寸1013x671
z203直快运行1258公里软座旅客睡觉姿势好奇怪
图片尺寸640x480
赵艳亮曾是一位退伍老兵,如今是哈尔滨客运段哈尔滨到北京的z203次
图片尺寸641x855
1. 武昌~石家庄z208
图片尺寸4080x3060
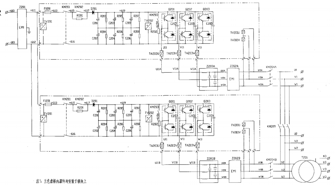
看这个原理图,它在输出部分加了滤波器(z203a,z203b),输出的电压为准
图片尺寸1080x608
z203 北京开往哈尔滨的列车 软座靠窗位置是什么?
图片尺寸529x300![2011-02-01 18:56 15z203|五级 [提问者采纳]|评论](https://i.ecywang.com/upload/1/img2.baidu.com/it/u=4084744386,1855886339&fm=253&fmt=auto&app=138&f=JPEG?w=450&h=316)
2011-02-01 18:56 15z203|五级 [提问者采纳]|评论
图片尺寸450x316
为了让更多的人平安回家,她们远离父母远离家乡
图片尺寸640x435
潍柴wp3q二级平衡机构总成z20370011价格,图片,厂家_汽配人网
图片尺寸750x1000
紧急扣停了震区附近正在运行的z203,k975,d6902,k928四趟旅客列车,并
图片尺寸600x450
通信 > 原理图及pcb布局图y1 led5 p0r2902 p0r2802 p0u1032 p0pz109
图片尺寸2245x1587
z17 z15) z203 北京→哈尔滨 (20:21出发 06:47到达) 软卧409
图片尺寸4032x3024