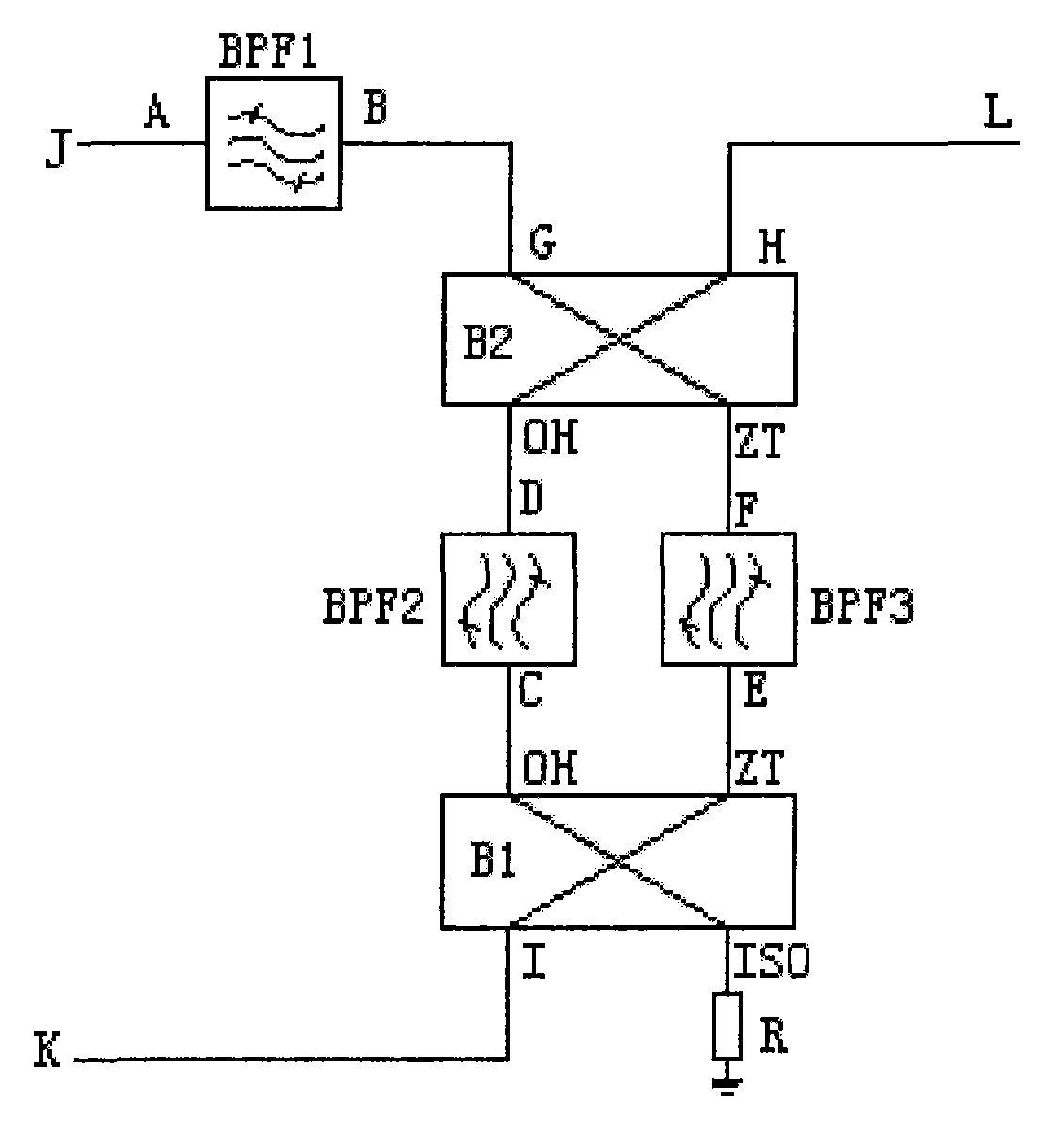
双工器的接线图

双工器的制作方法
图片尺寸1000x911
一种双工器的制作方法
图片尺寸1000x558
你了解中继台室内分布系统无源器件吗?
图片尺寸600x480
带开关的双工器前端制造技术
图片尺寸945x1000
全双工和半双工的区别_rs-422与rs-485有什么区别_weixin_39968820的
图片尺寸623x368
一种用于凝聚态核磁共振的高隔离度主动式射频双工器
图片尺寸2327x1704
具高隔离度低损耗微型双工器的制作方法
图片尺寸780x651
适用于双频收发系统的改进型双工器技术方案
图片尺寸785x1000
手台中转台 sr-328 对讲机双工器 车载中继 车载对讲机信号放大器
图片尺寸1357x1920
rs485两线制半双工通信_接线图分享
图片尺寸308x407
第一双向通信通道和第二双向通信通道,所述主级合路器包括双工器以及
图片尺寸1803x1331
两线半双工中继通信_接线图分享
图片尺寸640x555
控制原理图(01d303-3,cad版) 低压6路电容共补主电路原理图接线全图
图片尺寸504x370
本发明的特定方面涉及梯型滤波器双工器以及模块
图片尺寸1000x689
双工器(duplexer)之layout注意事项
图片尺寸782x322
微波低波段超微型微带双工器
图片尺寸1120x1220
无线对讲系统施工方案的那些事 根据具体项目无线对讲
图片尺寸2130x1280
爬山时对讲机使用频率_接线图分享
图片尺寸591x460
矢量网络分析仪矢网组成和原理简介
图片尺寸925x683
宗申250点火器接线图
图片尺寸548x200