电流镜结构

但是与简单电流镜一样,vds1=vds2同样得不到很好的
图片尺寸781x462
电子显微镜分类简介
图片尺寸387x543
(1)电磁透镜的结构 电磁透镜结构示意图 8
图片尺寸1080x810
一种大电流高输出阻抗电流镜的设计
图片尺寸897x1366
电子显微镜的结构
图片尺寸554x734
透射电镜的结构图示
图片尺寸1080x810
图2所示的dmcm结构电流镜中
图片尺寸672x644
尤其涉及一种低敏感度低电压的体驱动电流镜
图片尺寸1000x803
课程标准
图片尺寸544x526
jem-2010f透射电镜结构图
图片尺寸982x1059
上色的扫描电镜介绍
图片尺寸650x403
━━━━━━ 透射电镜 结构
图片尺寸600x505
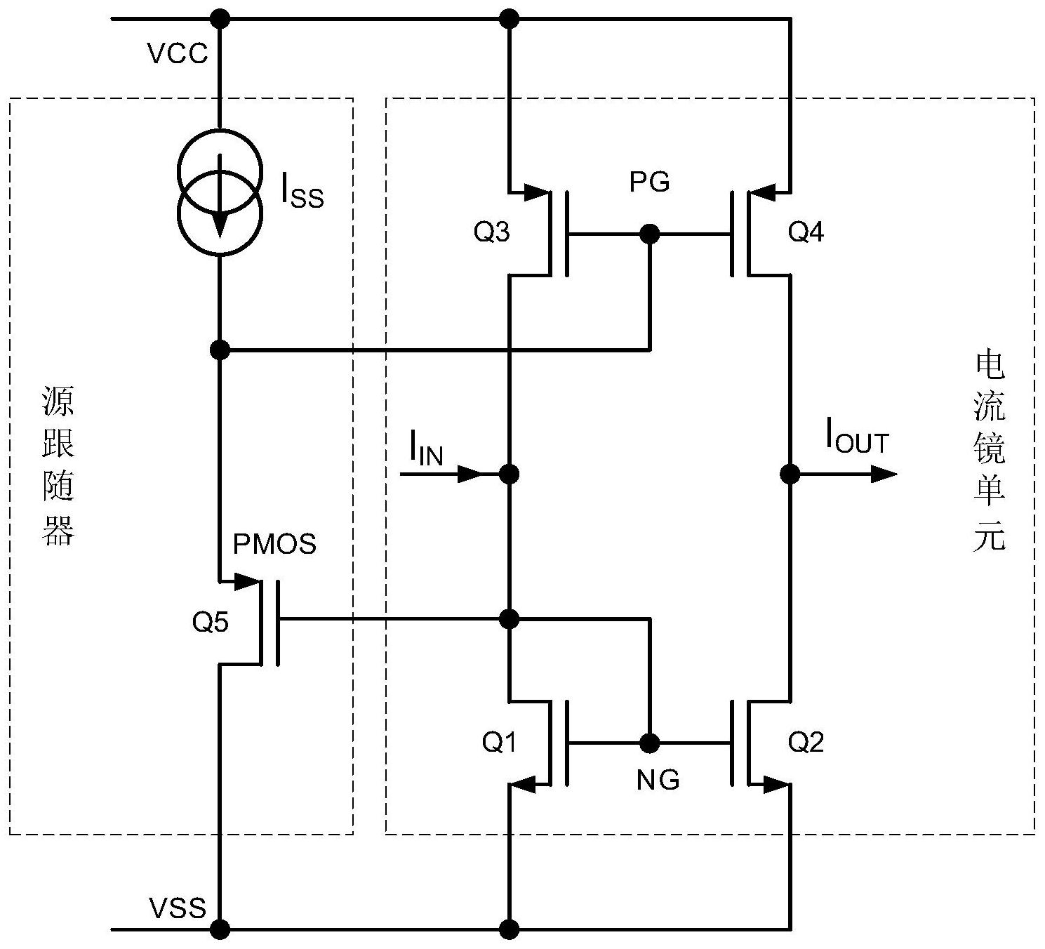
本申请涉及一种快速电流镜电路,其包括电流镜单元和
图片尺寸1489x1352
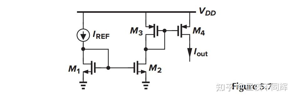
基本电流镜 - 知乎
图片尺寸942x319
透射电子显微镜(tem)ppt
图片尺寸1080x810
冷冻电镜:看清生物分子结构的神器 2017年诺贝尔化学奖成果介绍
图片尺寸1020x1314
cmos32有源电流镜1
图片尺寸521x405
样品,并将透射电子用电磁透镜会聚成像,以观察样品内部结构信息的仪器
图片尺寸493x503
透射电子显微镜实验
图片尺寸893x320
扫描电镜的构造和工作原理
图片尺寸1080x810